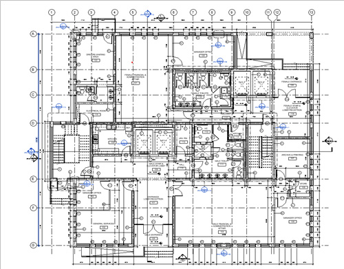
AS BUILT MODELS

COMPREHENSIVE DOCUMENTATION

Delivering thorough as-built documentation for seamless handover and future reference, leveraging BIM building information modeling for clarity and accuracy

INTEGRATION WITH FACILITY MANAGEMENT

Linking as-built models with BIM facility management systems for efficient operation and maintenance of your building, enhancing long-term operational efficiency.

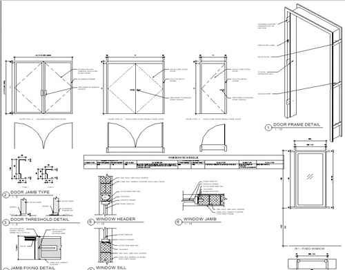
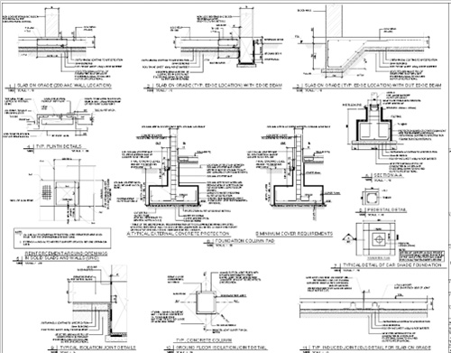
AS-BUILT DRAWINGS

Developing detailed BIM drawingsand as-built drawings that accurately represent the final construction, aiding in documentation and future reference, providing value in BIM constructionand BIM architecture.

ACCURATE MODEL UPDATES

Capturing on-site changes and incorporating them into the BIM model to reflect the true built environment. Our BIM modeling servicesensure these updates are seamlessly integrated into the project lifecycle.